首页
关于我们
公司概况
企业文化
发展历程
企业荣誉
公司架构
新利体育注册(中国)有限公司官网
全自动玻璃盖板印刷系
全自动烘烤炉系列
3D玻璃全制程系列
其他
新闻中心
公司动态
行业资讯
视频中心
投资者关系
实时行情
公告
信息披露
新利体育注册(中国)有限公司官网
员工福利
新利体育注册(中国)有限公司官网
投送简历
新利体育注册(中国)有限公司官网
EN
/
中文
语言
导航
EN
中文
首页
关于我们
公司概况
企业文化
发展历程
企业荣誉
公司架构
新利体育注册(中国)有限公司官网
全自动玻璃盖板印刷系
全自动烘烤炉系列
3D玻璃全制程系列
其他
新闻中心
公司动态
行业资讯
视频中心
投资者关系
实时行情
公告
信息披露
新利体育注册(中国)有限公司官网
员工福利
新利体育注册(中国)有限公司官网
投送简历
新利体育注册(中国)有限公司官网
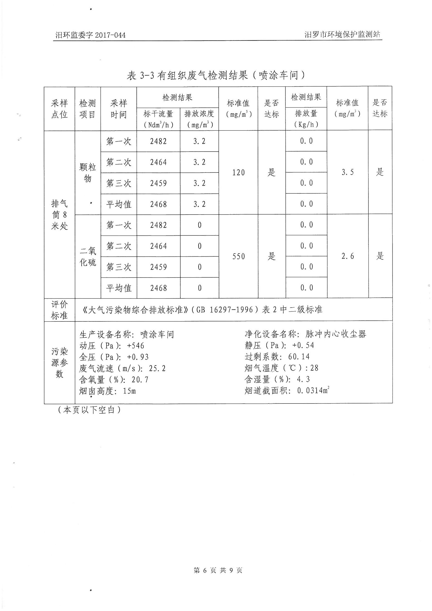
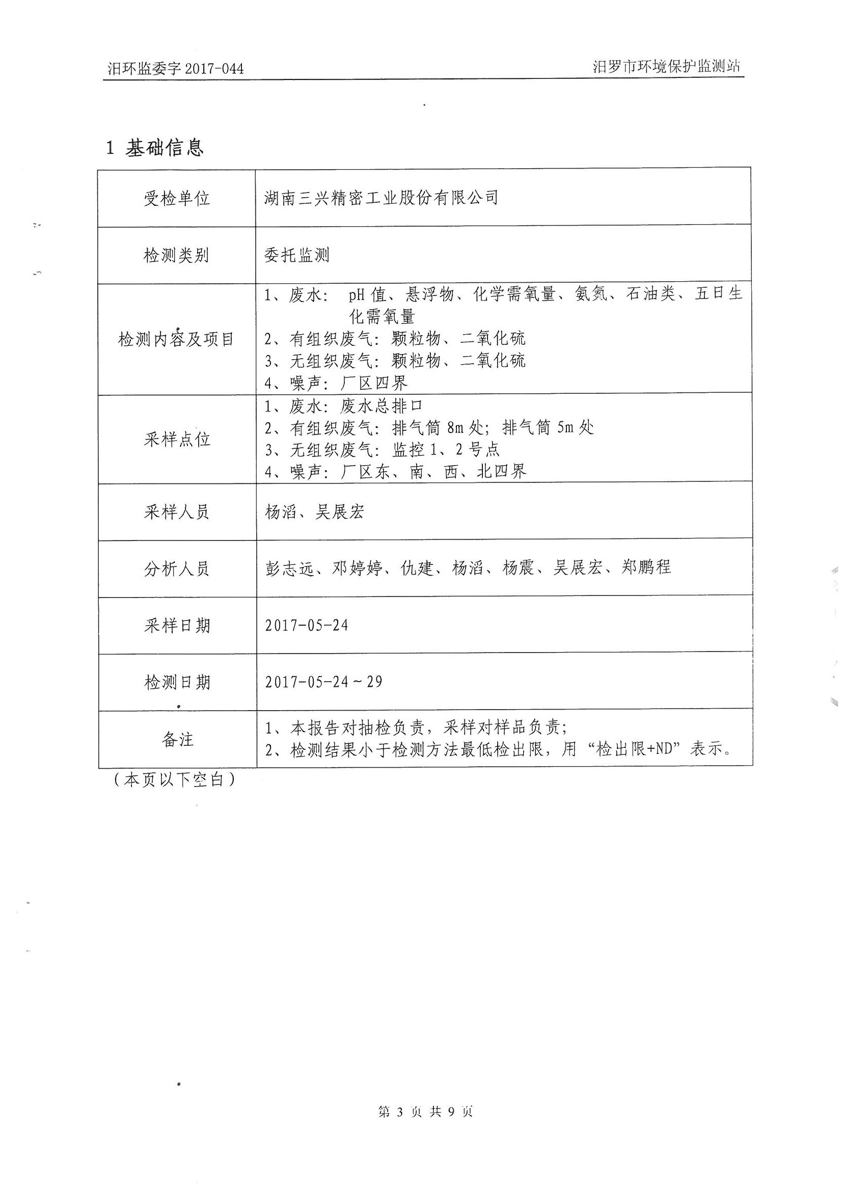
湖南三兴环保监测报告
所属分类:
公司动态
发布时间:
2017-08-22
分享到:
Copyright © 2014-2016 湖南三兴 版权所有 湘ICP备17016185号 执照认证链接
关闭
AK正规平台
|
大发官方版网站登录入口
|
赢博线上官网(集团)官方网站
|
雷火体育
|
FH至尊·(中国区)集团
|
大发在线登录官网
|
天博线上平台(中国)官方网站
|
米乐
|
乐鱼官方站页面登录入口
|